M8SBC-486 (Homebrew 486 computer)
[Back to the homebrew computers page]

The M8SBC-486 is a 486 homebrew computer motherboard made from scratch. From the schematic and PCB to the chipset! It is not based on existing designs, but rather on my experience with my previous experimental 486 homebrew (page about it coming soon!). I started working on it back in August 2025 and I started researching the 486 CPU in April 2025. I initially planned to make it just a 486 homebrew with the ordinary goal of getting it to run Linux and DOOM. However, my design choices made it compatible enough to run other cool stuff!
I call it "kinda PC compatible" because it has a lot in common with standard older x86 PCs. The main things missing here are the secondary PIC and DMA. However, based on my tests on this board, many programs can work without these. The missing DMA especially removes sound card support. Just see below the compatibility table!
GitHub repository of the project: https://github.com/maniekx86/M8SBC-486
TheRetroWeb entry (thanks!): https://theretroweb.com/motherboards/s/maniek86-m8sbc-486
Page / subpages last updated: 30/04/2026
(Quite a bit may not yet be described, as I was making "dev blogs" in a forum channel on a particular Discord server. I am slowly working to write it all down here.)
Specs:
- 150*150mm 4 layer PCB. Custom holes placement!
- PGA-168 socket for 5V 486 CPUs. FSB currently runs at 24 MHz meaning that DX2 CPUs work at 48 MHz
- Currently operating at 24 MHz FSB
- Xilinx Spartan II XC2S100 FPGA as the chipset. Codename "Hamster 1"
- 4 MB of SRAM
- 256 KB (224 KB accessible) ROM for BIOS
- 8254 Programmable Interval Timer (PIT)
- 8259 Programmable Interrupt Controller (PIC)
- Two 16-bit ISA slots
- PS/2 Keyboard port. Controller is implemented in the FPGA
- Simple CMOS RTC and CMOS storage. Implemented in the FPGA too
- ATMega128 as reset circuit handler, nonvolatile CMOS storage and bitstream loader.
As this project is pretty big and took me much more time than my previous homebrew computers, I decided to split this page about it into multiple pages. Many answers to questions about why I did something a certain way rather than another can be found on these subpages, so I invite you to read on.
- Intro, schematic and PCB design
- Initial hardware and chipset
- Soldering and testing first board
- Software: BIOS
- Software: Linux
- Software: MS-DOS & FreeDOS (coming soon)
Big shout-out to PCBWay!
Thanks to PCBWay's support, I was able to start this project. The idea for this large homebrew project emerged during the development of my previous projects, which were also sponsored by PCBWay. Their support essentially allowed me to start this project.
PCBWay is a well-known PCB prototyping and manufacturing service, providing high-quality boards and excellent customer support. I have worked with their boards in the past and can say that they are of great quality. The sponsorship also included a free quick delivery option. If you’re looking for reliable PCB prototyping and manufacturing services, I highly recommend checking them.
Compatibility
Last updated: 30/04/2026
ISA Cards
Currently, the BIOS is not capable of the ISA PnP feature. Therefore, only cards that are not PnP or that can operate in a non-PnP mode will work.
- CGA, EGA, MDA: No (TODO?).
- VGA: Mixed. Table below shows my tests
Card (chip on it) Works? Notes BALE issue (see bottom of Initial hardware and chipset page) Trident TVGA8900C Yes (8/16-bit mode) Works OK No Trident TVGA9000C Yes (8/16-bit mode) Works but bad compatibility with software (video output turns off, programs freeze). Yes AcuMOS AVGA1 (GD5401) No Crashes at VBIOS execution No Cirrus Logic GD5428 Yes (8/16-bit mode) Works OK Yes - Multi IO controllers (Serial, LPT, Floppy, IDE): Yes. Floppy controller is unsupported because of missing DMA.
- Sound cards: Of the few cards I have tested, I managed to initialize the Crystal CX4235 without the system freezing. There was no output when using sampling mode because of the missing DMA, but I achieved sound output with FM synthesis!
- Ethernet cards: Non-PNP NE2000 compatible cards work. Networking can be used in MS-DOS (I haven't tested Linux yet).
- SCSI cards: Untested.
I am always working to improve the M8SBC-486 compatibility. If you are located especially in Poland and have spare vintage hardware (ISA cards, 486 CPUs, etc.) that needs a new home, I would love to use it for testing and development purposes. In such case, contact me!
Special thanks to: tomekmak.xoc, KacperL, Tompex (and his colleagues including Baza) for giving away some hardware that helped me during development of this board!
Operating systems
Tested mostly on preinstalled images
| Operating system | Type | Works? | Preinstalled image? | Notes |
|---|---|---|---|---|
| MS-DOS 6.22 | DOS | Yes | Yes | Works without HIMEM enabled. |
| FreeDOS 1.4 | DOS | Yes | Yes | See note about included Jemmex bellow |
| Linux 2.2.26 | Linux | Yes | Yes | Needed custom kernel build, bodge wire to reroute IDE IRQ to PIC, few kernel parameters and custom bootloader but works fine. See page about it. |
| Windows 3.1 (enhanced mode) | Windows | Kinda | Yes | Tested on FreeDOS 1.4 with the "win31 kernel". Had to tweak a bunch of settings. It launches, gets to the shell and is usable with keyboard, but I can't get mouse to work! |
| Windows 3.1 (standard mode) | Windows | No | Yes | Errors |
| Windows 95 | Windows | No | No | Can get almost to the end of the setup but errors later on. Preinstalled image crashes |
| stillalive-os | Hobby OS | Yes | Yes | Works |
| cubicDoom | Hobby OS | Yes | Yes | Works |
DOS software
| Program | Type | Works? | Notes | Tested on |
|---|---|---|---|---|
| HIMEM | Memory extender | No | Freezes | MS-DOS 6.22 |
| Jemmex | Memory extender | Yes | Works fine | FreeDOS 1.4 |
| HIMEMX | Memory extender | Yes | Works fine | FreeDOS 1.4 |
| CACHECHK | Utility | Yes | Old results, Results after 14/01/2026 | MS-DOS 6.22 & FreeDOS 1.4 |
| Second Reality | Demo | Yes | Works fine | MS-DOS 6.22 & FreeDOS 1.4 |
| FastTracker II | Program | Yes | Works fine. Sound output can be achieved via "PC speaker" in "Pulse mod." mode or "Soundplayer" (LPT DAC: Covox Speech Thing) | FreeDOS 1.4 |
| 3DBench 1.0 | Bench utility | Yes | Works fine. 06/03/2026 - recheck todo | FreeDOS 1.4 |
| 3DBench 1.0c | Bench utility | Yes | Works fine. 06/03/2026 - recheck todo | MS-DOS 6.22 & FreeDOS 1.4 |
| Prince of Persia | Game | Yes | Works fine | MS-DOS 6.22 |
| CHKCPU | Utility | Yes | Works fine | MS-DOS 6.22 |
| Wolfenstein 3D | Game | Yes | Works fine | MS-DOS 6.22 |
| DOOM (FastDOOM) | Game | Yes | Works fine | FreeDOS 1.4 |
| Navrátil Software System Information | Utility | Yes | Works fine | FreeDOS 1.4 |
| NESticle | Emulator | Yes | Works fine in 320x200 mode. Performance is not best but games are playable | FreeDOS 1.4 |
| Crystal Dream by Triton | Demo | Yes | Works fine with sound achieved via an LPT DAC (Covox Speech Thing)! | FreeDOS 1.4 |
| QEMM 386 V7.5 | Memory extender | Yes | Works fine | MS-DOS 6.22 |
| Norton Commander 5.0 | Utility | Yes | Works fine | FreeDOS 1.4 |
| Borland CPP 3.0 | C++ IDE | Yes | Works fine | MS-DOS 6.22 |
| mTCP | TCP driver & utilities | Yes | Works fine (tested ping, dhcp, htget, ftpsrv). I can also confirm that the NE2000 packet driver works. | FreeDOS 1.4 |
| adplay-dos | AdLib music player | Yes | Works fine with AdLib compatible cards | FreeDOS 1.4 |
Disclaimer
This project is essentially my hobby, as I like retro, electronics, digital circuits and low-level programming. I never expected this computer to run DOS in the first place. I consider it pretty much experimental and made to research the workings of older x86 chips. I am pretty sure that this work could be used to build something more robust and stable or even to develop fully custom-made boards for other x86 CPUs. It took me a lot of time, but I don't regret it. There are still many issues, but it's heartwarming that I can get so much existing software to work. And, thanks to everyone for support!
Gallery
Videos
- FreeDOS boot and Second Reality demo (audio edited in):
Note: The video was recorded before the rewrite of the ISA driver (fix on 06/03/2026) that fixed 16-bit performance and sped up the demo as a result.
- FastTracker II. Audio captured directly from the board. Used an LPT DAC, so it's possible to achieve high-quality sound from this board even without the DMA!:
Images



Linux & FreeDOS




Extra


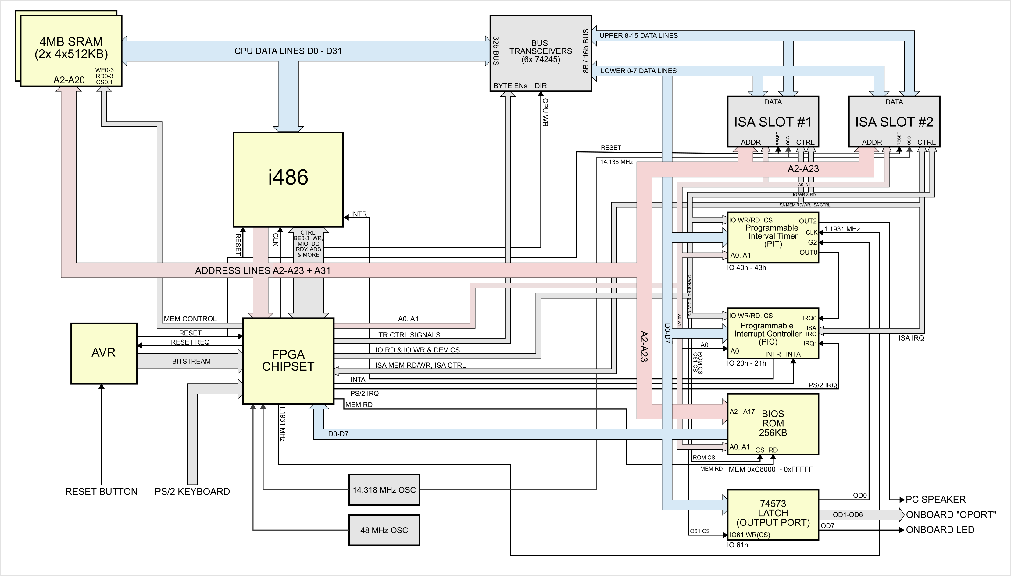
Board architecture. First page of the schematic shows it pretty nice as well.






![Validate my RSS feed [Valid RSS]](https://maniek86.xyz/cmsesus/uploads/image/valid-rss-rogers.png)

